Toyota Corolla (E120): Circuit description
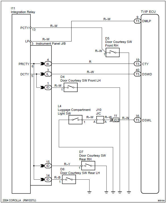
The door courtesy switch turns on when the door is opened and off when the door is closed.
Wiring diagram

Other materials:
Child restraint system
fixed with a seat belt
A child restraint system for a
small child or baby must itself be
properly restrained on the seat
with the lap portion of the
lap/shoulder belt.
■ Installing child restraint
system using a seat belt
(child restraint lock function
belt)
Install the child restraint system
in accordance to the operat ...
When stopping the engine with the shift lever in a position other than P (vehicles
with a continuously variable transmission)
If the engine is stopped with the shift lever in a position other than P, the
engine switch will not be turned off but instead be turned to ACCESSORY mode. Perform
the following procedure to turn the switch off:
1 Check that the parking brake is set.
2 Shift the shift lever to P.
► Vehi ...
Overhaul
Hint:
overhaul the rh side by the same procedures with lh side.
1. Remove rear wheel
2. Drain brake fluid
Notice:
wash the brake fluid off immediately if it comes into contact with any painted
surface.
3. Remove rear brake drum sub–assy
Release the parking brake lever, and remove t ...


