Toyota Corolla (E120) 2002–2008 Repair Manual / Diagnostics / Supplemental restraint system / Short in p/t squib (rh) circuit / Circuit description
Toyota Corolla (E120): Circuit description
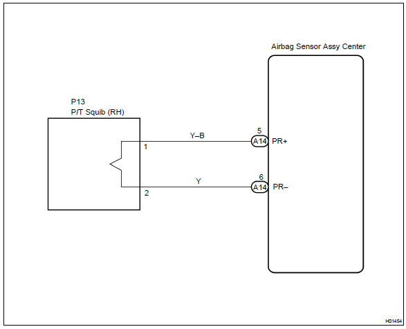
The p/t squib (rh) circuit consists of the airbag sensor assy center and seat belt pretensioner (rh).
It causes the srs to deploy when the srs deployment conditions are satisfied.
Dtc b0130/63 is recorded when a short is detected in the p/t squib (rh) circuit.

Wiring diagram

Other materials:
USB charging port (if
equipped)
The USB charging port are used
to supply 3.0 A of electricity at 5
V to external devices.
The USB charging port are for
charging only. They are not
designed for data transfer or
other purposes.
Depending on the external
device, it may not charge properly.
Refer to the manual
included with the dev ...
If the shift lever cannot be shifted from P (except vehicles with a manual transmission)
If the shift lever cannot be shifted with your foot on the brake pedal, there
may be a problem with the shift lock system (a system to prevent accidental operation
of the shift lever). Have the vehicle inspected by your Toyota dealer immediately.
The following steps may be used as an emergency ...
Foreword
This repair manual has been prepared to provide essential information
on body panel repair methods (including cutting and
welding operations, but excluding painting) for the toyota
corolla
Applicable models: aze141 series
zre142 series
This manual consists of body repair methods, exploded diag ...


