Toyota Corolla (E120) 2002–2008 Repair Manual / Diagnostics / Supplemental restraint system / Short in side squib (rh) circuit / Circuit description
Toyota Corolla (E120): Circuit description
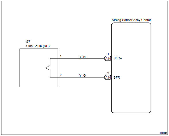
The side squib (rh) circuit consists of the airbag sensor assy center and front seat airbag assy (rh).
It causes the srs to deploy when the srs deployment conditions are satisfied.
Dtc b0110/43 is recorded when a short is detected in the side squib (rh) circuit.

Wiring diagram

Other materials:
For vehicles equipped with srs airbag and seat belt pretensioner
Hint:
the vehicle is equipped with an srs (supplemental restraint system), such as the
horn button assembly,
the instrument panel passenger airbag assembly, the front seat airbag assembly,
the center airbag sensor
assembly, the front airbag sensor, the side airbag sensor and the seat belt
p ...
Installing child restraints
Follow the child restraint system manufacturer's instructions.
Firmly secure child restraints to the seats using the LATCH anchors or a seat
belt. Attach the top tether strap when installing a child restraint.
The lap/shoulder belt can be used if your child restraint system is not compatible ...
If a warning light turns on or a
warning buzzer sounds
Calmly perform the following actions if any of the warning
lights comes on or flashes. If a light comes on or flashes, but
then goes off, this does not necessarily indicate a malfunction
in the system. However, if this continues to occur, have the
vehicle inspected by your Toyota dealer.
Actions to ...


