Toyota Corolla (E120): Circuit description
The park/neutral position switch detects the shift lever position and sends signals to the ecm.

Monitor description
The park/neutral position switch detects the gearshift position and sends a signal to the ecm.
For security, the park/neutral position switch detects the gearshift position so that engine can be started only when the vehicle is in p or n shift position.
When the park/neutral position switch sends more than one signal at a time from switch positions p, r, n, 2, or l the ecm interprets this as a fault in the switch. The ecm will turn on the mil.
Monitor strategy
P0705

P0850

Typical enabling condition
P0705

P0805

Typical malfunction thresholds
P0705

P0850

Component operating range

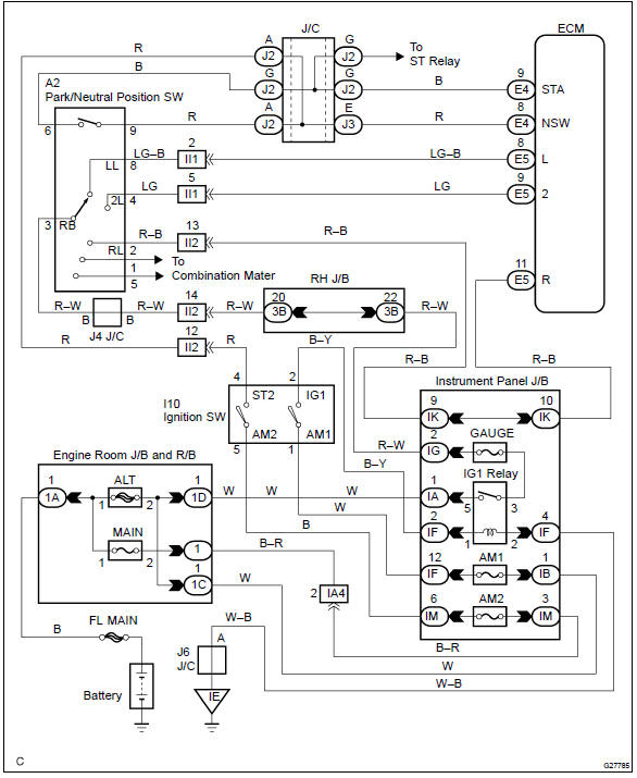
Wiring diagram

Other materials:
Riding with children
Observe the following precautions
when children are
in the vehicle.
Use a child restraint system
appropriate for the child,
until the child becomes
large enough to properly
wear the vehicle's seat belt.
It is recommended that children
sit in the rear seats to
avoid accidental contact
with the ...
Inspection procedure
1 Inspect park/neutral position switch assy
Disconnect the park/neutral position switch connector.
measure resistance according to the value(s) in the table
below when the shift lever is moved to each position.
Standard:
2 Check harness and connector(park/neutral position ...
Using the key (vehicles
without a smart key system
and with a wireless
remote control function)
Releasing
To release the key, press the button
Folding
To stow the key, press the button
then fold the key.
Using the mechanical key
(vehicles with a smart key
system)
To take out the mechanical key,
slide the release button and take
the key out.
The mechanical key can only be
inserted in o ...


