Toyota Corolla (E120) 2002–2008 Repair Manual / Diagnostics / Sfi system / Stop light switch circuit / Circuit description
Toyota Corolla (E120): Circuit description
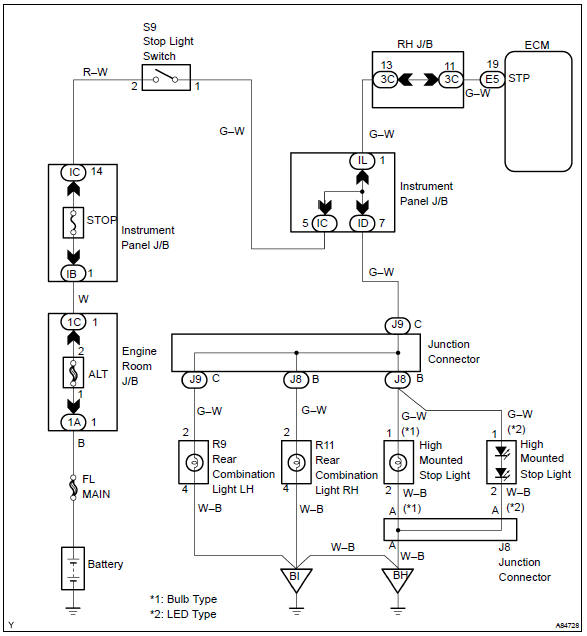
This signal is used to detect that the brakes have been applied. The stp signal voltage is the same as the one supplied to the stop lights.
The stp signal is used mainly to control the fuel cut–off engine speed (the fuel cut–off engine speed is reduced slightly when the vehicle is braking.).
Wiring diagram

Other materials:
Do-it-yourself service precautions
If you perform maintenance
by yourself, be sure to follow
the correct procedure
as given in these sections.
Maintenance
WARNING
The engine compartment contains
many mechanisms and fluids that
may move suddenly, become hot,
or become electrically energized.
To avoid death or serious injury,
obser ...
Registering ID codes
(vehicles with a tire pressure
warning system)
The tire pressure warning valve
and transmitter is equipped with
a unique ID code. When new
tire pressure warning valves and
transmitters are installed, new
ID codes must be registered in
the tire pressure warning computer.
ID codes can be registered by
yourself, but depending on
the driving con ...
Body panel anti-rust agent (wax) application areas
Apply rustop w to the doors and hood edges (tips of outer panel folded parts)
and undersides, areas around
hinges, etc.To prevent rust. Coat the undersides of the edges using a nozzle and
air gun, and coat the areas around
the hinges using a brush.
Hint:
if rustop is unnecessarily ...


