Toyota Corolla (E120) 2002–2008 Repair Manual / Diagnostics / Cruise control system / Diagnosis circuit / Circuit description
Toyota Corolla (E120): Circuit description
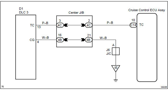
This circuit sends a signal to the cruise control ecu assy that dtc output is required.
Wiring diagram

Other materials:
Installing tire pressure
warning valves and transmitters
(vehicles with a
tire pressure warning system)
When replacing tires or wheels,
tire pressure warning valves and transmitters must also be
installed.
When new tire pressure warning
valves and transmitters are
installed, new ID codes must be
registered in the tire pressure
warning computer and the tire
pressure warning system must
be initialized. ...
Temporarily engaged gear steps selection mode in the D position
To drive in temporary gear steps selection mode, operate the “-” and “+” paddle
shift switches. The gear steps can then be selected by operating the “-” and “+”
paddle shift switches. By selecting gear step using paddle shift switches, you can
control engine braking forces.
1 ...
Fuel system
Precaution
1. Before working on fuel system, disconnect negative (–) terminal cable
from
battery
2. Do not smoke or work near an open flame when working on fuel system
3. Keep gasoline away from rubber or leather parts
4. Work for prevent gasoline from spilling out
Remove the rear s ...


